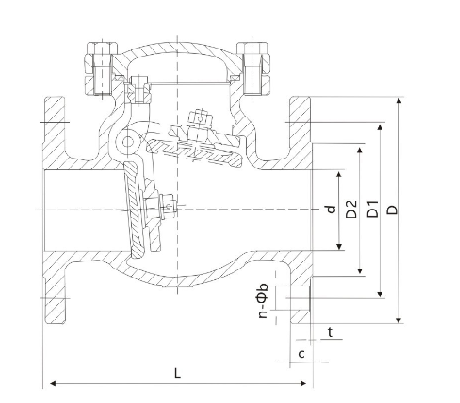
不銹鋼旋啟式止回閥
不銹鋼旋啟式止回閥又稱單向閥或逆止閥,其作用是防止管路中的介質倒流。
H44W、H44H-16P不銹鋼旋啟式止回閥的安裝位置不受限制,通常安裝于水平管路,但也可以安裝于垂直管路或斜管路上。
不銹鋼旋啟式止回閥的閥瓣繞軸作旋轉運動,其流體阻力一般小于升降式止回閥。旋啟式止回閥根據閥瓣的數目可分為單瓣旋啟式、雙瓣旋啟式及多瓣旋啟式三種。啟閉件靠介質流動和力量自行開啟或關閉,以防止介質倒流的閥門止回閥。止回閥屬于自動閥類,主要用于介質單向流動的管道上,只允許介質向一個方向。


不銹鋼旋啟式止回閥又稱單向閥或逆止閥,其作用是防止管路中的介質倒流。
H44W、H44H-16P不銹鋼旋啟式止回閥的安裝位置不受限制,通常安裝于水平管路,但也可以安裝于垂直管路或斜管路上。
不銹鋼旋啟式止回閥的閥瓣繞軸作旋轉運動,其流體阻力一般小于升降式止回閥。旋啟式止回閥根據閥瓣的數目可分為單瓣旋啟式、雙瓣旋啟式及多瓣旋啟式三種。啟閉件靠介質流動和力量自行開啟或關閉,以防止介質倒流的閥門止回閥。止回閥屬于自動閥類,主要用于介質單向流動的管道上,只允許介質向一個方向。

